❤️ ×
各类单机,绅士游戏不断更新:https://www.acghua.com/
网站地址

基于单片机的汽车倒车测距系统设计

杨秋贤

(吉林化工学院, 吉林 吉林 132022)

引言

随着现代人生活水平的不断提高,车辆数目也随之变得越来越多。2017年,我国汽车销售量达2 887.9万辆,同比增长3%,汽车保有量再创新高[1]。该系统以AT89C51单片机为核心,利用超声波特性对倒车时汽车尾部与障碍物之间的距离进行测量,通过LCD1602液晶显示屏将四路测量距离显示。利用语音提示功能及蜂鸣器报警系统对驾驶员进行安全提示,从而降低事故的发生机率。

1 系统总体结构

本设计利用脉冲回波法原理,以AT89C51单片机为系统核心将各个模块和电路整合起来。周边电路主要包括接收单片机信号的超声波发射电路、报警电路、LCD模块、语音模块,和向单片机输入信号的超声波接收电路、按键模块、以及电源电路。

2 硬件电路设计

单片机核心模块采用最小系统即可,由单片机、复位电路、时钟电路和电源电路等几部分构成[2]。

语音模块采用WT588D芯片,芯片内嵌DSP高速音频处理器,具有处理速度快、抗干扰能力强、音质好等优点[3]。芯片与扬声器相结合并通过单片机的P3.0、P3.1、P3.2、P3.3、P3.4 口输入电信号使其正常工作(电路如图1所示)。

图1 语音电路

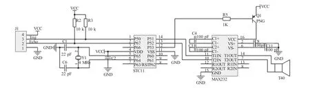
超声波发射电路由STC11型单片机及MAX232芯片构成,如图2所示。当系统工作时,AT89C51单片机的P2.0口、P2.1口分别与外部引脚TRIG、ECHO相连。AT89C51型单片机通过TRIG输入高电平信号,使STC11型单片机从P51,P52口输出8个40 Hz的信号给MAX232芯片的T1IN,T2IN口,令MAX232芯片驱动。MAX232芯片会提高发射功率,并将超声波发射出去,与此同时计时器对超声波反射过程计时。

图2 超声波发射电路

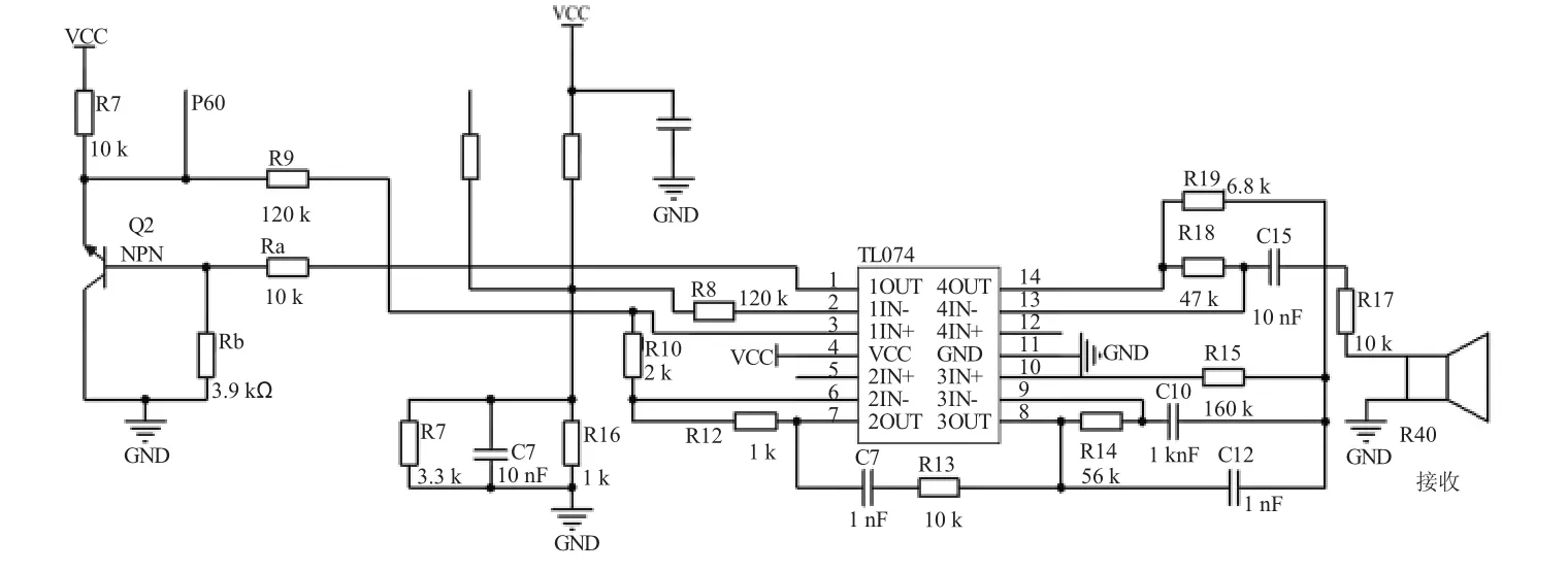
在超声波接收电路中,反射回来的微弱信号会由TL074芯片进行放大、整形、滤波等处理。处理过的回波信号通过P60、P61口输入给STC11型单片机,STC11型单片机通过P67口输送信号给外部引脚ECHO,外部引脚ECHO输出低电平信号返回给AT89C51型单片机(如图3所示)。

图3 超声波接收电路

显示模块采用LCD1602液晶显示屏进行显示,它具有显示数字、字符、符号等功能,以及还具有价格低、体积小、耗电少等优点。

报警模拟采用蜂鸣器,当汽车倒车进入设定的危险距离时,单片机的P3.7口会输出低电平给报警电路,此时蜂鸣器就会报警。

电源电路使用220 V的家用电源供电,利用LM7805控制芯片来获取的+5 V,使其为单片机和其他的芯片供电。

按键电路由3个普通按键组成。驾驶员可根据固定的按键来设置障碍物与超声波模块之间的安全值。

3 设备运行过程

汽车进入倒车状态时给测距系统一个信号,令测距系统初始化。测距系统完成初始化后,对定时器及中断进行设定,同时发射超声波对四个支路进行测距,利用返回的超声波信号作为触发中断的条件。中断触发后,根据获得的超声波发收间隔计算与后方物体的距离,并将测得的四路距离值通过LCD液晶显示屏显示。如汽车与后方物体的距离过近则触发报警功能。在设备运行0.5 s后系统进入下轮循环。

4 实验结果

针对四路传感器中的一路进行验证,采用10组测量数据。在40~220 cm范围内的十组数据的相对误差在5%以内,符合一般技术要求。实验所产生的误差可能是受超声波测距盲区的外界温度、超声波的传播速度等条件的影响。

5 结语

本设计采用了AT89C51单片机作为系统的主控制芯片,对汽车倒车测距系统进行了设计,该系统具有价格低、体积小、易安放、精度高和稳定性强等优点。该系统的语音提示功能、报警功能、距离显示等功能对驾驶员安全驾驶有着积极的辅助作用。

相关阅读