❤️ ×
各类单机,绅士游戏不断更新:https://www.acghua.com/
网站地址

VS1型真空断路器控制回路解析及故障诊断

于永富

(国网江苏省电力有限公司超高压分公司,江苏 南京 211102)

引言

VS1型断路器控制回路主要由储能回路、闭锁回路、合闸回路、防跳回路、分闸回路等组成,在运行过程中,由于判断逻辑复杂、运行环境复杂、器件性能参差不齐等,电气控制回路发生故障比较常见,是导致真空断路器不能正常操作的主要原因之一。

1 储能回路工作原理及其故障分析1.1 储能回路工作原理

储能系统是断路器进行分合闸操作的能量来源,只有可靠储能才能在故障时正确切断故障电流[1-2]。断路器储能回路如图1所示,电源HM经过空气开关2DK对回路进行供电。断路器未储能或能量不足时,微动开关S2、S4闭合。电流流过航空插头T的25、35接点,经过整流器V4变换成交流电,给电机M供电,从而驱动储能弹簧进行储能,当能量储满后微动开关S2和S4断开、储能结束,微动开关S1闭合、储能指示灯亮。

图1 VS1断路器储能回路图

1.2 储能回路故障分析

当储能回路发生故障时,最直观的现象是储能指示灯不亮,主要原因为储能指示灯的工作回路或储能回路本身存在故障。此时,应先观察储能系统的机械指示位置,若为已储能状态,则是储能指示灯的工作回路出现问题;若为未储能状态,在排除机械故障可能后,可断定储能回路本身存在问题。

2 闭锁回路工作原理及其故障分析2.1 闭锁回路工作原理

真空断路器的联锁闭锁功能能够有效防止各种情况下的断路器误操作,防止人为事故发生[3]。断路器闭锁回路如图2所示,电源KM经过空气开关1DK对回路进行供电。当断路器处于分闸位置(断路器位置辅助开关QF接点闭合),且手车在试验位置(微动开关S8闭合)或工作位置(微动开关S9闭合)时,电流流过航空插头T的10和20接点、S8或S9、QF,经过整流器V1变换成交流电,给闭锁线圈Y1供电,从而驱动Y1的铁芯保持常吸位置,解除对断路器的位置闭锁。若以上条件不满足则Y1失电,其铁芯处于释放位置,将通过机械联锁限制断路器进行合闸等操作。

图2 断路器闭锁回路图

2.2 闭锁回路故障分析

若闭锁回路发生故障,将会导致断路器不能正常进行合闸等操作。根据现场的运行经验,由于闭锁线圈Y1在正常情况下处于长时间带电的状态,所以最容易发生损坏。发生故障后,应首先检查Y1的电阻是否在合格范围内、铁芯是否存在卡涩等情况,若无异常再依次排查回路的其他部分,确认其他元件连接良好、工作正常。

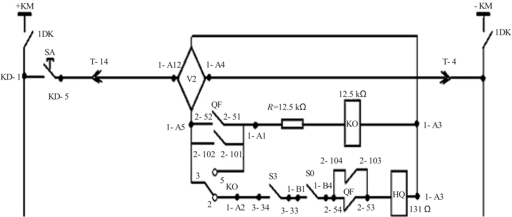
3 合闸回路动作原理及其故障分析3.1 合闸回路工作原理

断路器合闸回路如下页图3所示,合闸回路电源KM经过空气开关1DK对回路进行供电。进行合闸操作需满足储能系统已储能、断路器处于分闸位置、闭锁和防跳条件均未被触发等前提条件。当按下合闸按钮SA进行合闸操作时,电流流过航空插头T的4、14接点,经过整流器V2变换成交流电,通过防跳继电器K0、储能位置微动开关S3、闭锁继电器辅助接点S0,给合闸线圈HQ供电,合闸线圈铁芯动作后冲击合闸挚子,推动机械系统完成合闸操作。

图3 断路器合闸回路图

3.2 合闸回路故障分析

若由于合闸回路故障导致不能合闸,应首先检查储能状态、断路器位置等合闸条件是否具备,确保S3、S0、QF的正常切换条件已经满足,在排除其他因素后对回路中的各部件通电状态、机械动作性能等进行检查,找出故障原因。

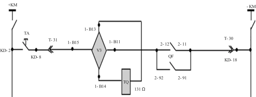
4 分闸回路动作原理及其故障分析4.1 分闸回路工作原理

断路器分闸回路如图4所示,分闸回路电源KM进行分闸操作需满足断路器处于合闸位置等前提条件。当按下分闸按钮TA进行分闸操作时,电流流过航空插头T的30、31接点,经过整流器V3变换成交流电给分闸线圈TQ供电,分闸线圈铁芯动作后冲击分闸挚子,推动机械系统完成分闸操作。

图4 断路器分闸回路图

4.2 分闸回路故障分析

若由于分闸回路故障导致不能分闸,应首先检查储能状态、断路器位置等分闸条件是否具备,在排除其他因素后对回路中的各部件通电状态、机械动作性能等进行检查,找出故障原因。

5 真空断路器控制回路常用故障诊断方法

开关类设备出现电气回路故障时,一般是回路中存在断路或短路现象,常见的故障诊断方法按判断原理,主要分为电阻测量故障诊断法和电压测量故障诊断法两类。

5.1 电阻测量故障诊断法

当真空开关某个回路出现故障时,可将整个回路与电源隔离,用万用表测量回路的电阻是否正常,进而判断点和故障类型[4]。回路中仅由导线、辅助接点、微动开关连接的部分电阻应较小,一般不应超过10Ω,若电阻较大甚至超出测量范围,说明该部分回路存在断路或连接不良的现象。回路中具有电阻的元件其阻值应在规定范围内,若超出一定范围则说明内部存在短路或断路可能。为了进行快速诊断,可从回路中比较居中的位置,用二分法进行测量,逐渐缩小故障范围直至找到故障点。

5.2 电压测量故障诊断法

VS1真空断路器的供电电源一般为直流电,正常情况下各元器件上的电压值会根据电阻值分布。用电压法进行故障诊断时,可测量回路中的各节点对地或对负电端电压分布是否正常。回路中仅由导线、辅助接点、微动开关连接的部分,各处电位应该基本相同,若发现电压突变之处,则说明此处存在断路故障。回路中具有电阻的元件两侧应存在一定电压差,若两端电位相同,可结合电阻测量故障诊断法判断该元件是否存在短路故障。

相关阅读